PROJECT SUMMARY:
As part of the ongoing development of Auckland’s Wynyard Quarter a water feature was constructed as part of the “Wind Tree” Sculpture that was re-instated from storage. H2O were contracted to provide the detailed design, installation and commissioning of the Water Feature.
CLIENT: Dominion Constructors
PROJECT DETAILS:
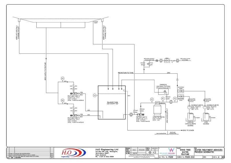
The design of the Feature was straight forward with a simple pond like expectation from the Architects. The Water Feature system consists of the following:
- 2 x Feature pumps with integral inlet strainers
- Filtration system with Sand Filter and Filter Pump.
- Automated water chlorination and pH control
- Automatic mains water make up.
- Floor sump with submersible pump for flood protection.
The Water Feature was completed to the allocated budget and within the required timeframe. We continue to service and maintain this feature today. As a result of this ongoing service work it was quickly discovered the original filtration system would be unable to cope with the unforeseen dirt loading of the feature due to windblown debris, bird feathers from Seagulls and dirt being carried in from nearby gardens. To overcome this problem a second filter was installed which has resulted in satisfactory operation of the feature.

